1 busta equivale a 100 pezzi.
Funzioni Il compensatore regolabile SKATTO è la soluzione più intelligente per il fissaggio fra il controtelaio in alluminio e l'opera in muratura, compensando le tolleranze esistenti fra i due manufatti.
Materiali Corpo in zama Vite di regolazione in poliammide, rinforzata con fibre di vetro
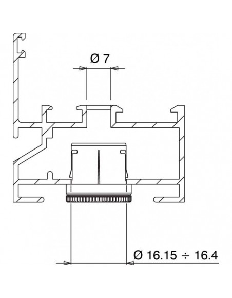
Caratteristiche Tecniche SKATTO è veloce da applicare e facile da regolare. Il corpo in zama è realizzato con due fermi elastici a scatto che assicurano il bloccaggio del compensatore in senso assiale sul profilo del telaio. Nel corpo sono inoltre ricavate due nervature che impediscono la sua rotazione in fase di regolazione della vite. Sporgenza massima vite 13,5 mm.
